Revive Your MG TD: Mastering the Turn Signal Wiring Maze with a Comprehensive Diagram Guide!

Revive Your MG TD: Mastering the Turn Signal Wiring Maze with a Comprehensive Diagram Guide!

Unlock the secrets of your MG TD's electrical system with our comprehensive MG TD turn signal wiring diagram. Gain expert insights to effortlessly navigate and enhance your vintage automotive restoration journey.

In the intricate world of vintage automotive restoration, meticulous attention to detail is paramount, especially when it comes to the electrical systems. For enthusiasts embarking on the restoration journey of an iconic MG TD, understanding the nuances of the turn signal wiring is crucial. This article delves into the comprehensive realm of the MG TD turn signal wiring diagram, meticulously dissecting the intricate network that breathes life into the classic British roadster. Navigating the labyrinth of wires and connections demands a methodical approach, and this discourse aims to unravel the complexities, providing a clear roadmap for enthusiasts seeking to revive the timeless charm of the MG TD's turn signal system.

Top 10 Points about MG TD Turn Signal Wiring Diagram :

  • Understanding the Core Components of MG TD Turn Signal Wiring
  • Decoding the Color Code: A Guide to Wire Identification
  • Ensuring Compatibility: MG TD Turn Signal Wiring for Various Models
  • Step-by-Step Installation Guide for a Seamless Wiring Process
  • Common Issues and Troubleshooting Tips in Turn Signal Wiring
  • Integrating Modern Technology: Upgrading MG TD Turn Signal Systems
  • Practical Tips for Safeguarding Wiring Integrity during Restoration
  • The Importance of Grounding: A Crucial Element in Turn Signal Functionality
  • Expert Insights on Maintaining and Preserving MG TD Wiring Over Time
  • Compliance and Safety Standards: Aligning Your Wiring with Best Practices

Several facts about MG TD Turn Signal Wiring Diagram

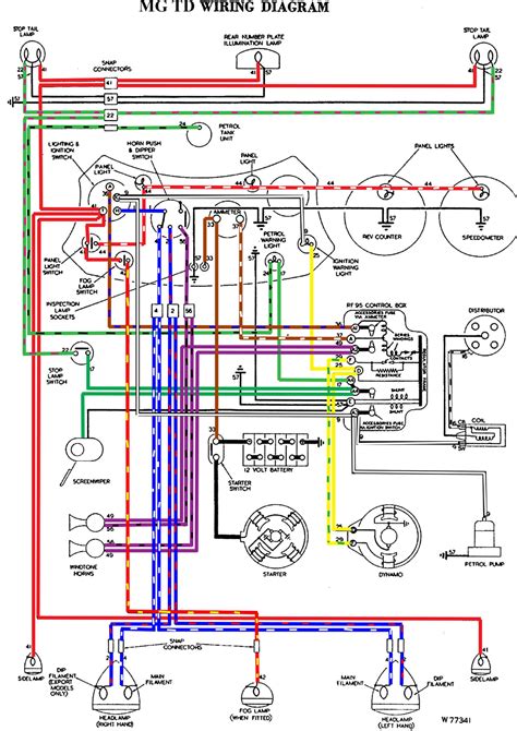
The MG TD turn signal wiring diagram stands as a crucial blueprint for classic car aficionados delving into the meticulous realm of automotive restoration. This comprehensive guide ensures a seamless integration of the turn signal system, offering invaluable insights for enthusiasts keen on reviving the timeless charm of the MG TD.

Decoding the Wiring Essentials

Decoding the Wiring Essentials

Navigating the intricacies of the wiring diagram begins with a deep dive into its core components. Understanding the color-coded system is essential, serving as a roadmap for identifying and connecting wires accurately.1

Step-by-Step Installation Guide

Step-by-Step Installation Guide

Embark on a seamless installation journey with a step-by-step guide, ensuring a meticulous process that guarantees optimal functionality. This section provides a detailed roadmap for enthusiasts undertaking the wiring installation themselves.2

Common Issues and Troubleshooting Tips

Common Issues and Troubleshooting Tips

Encounter and resolve common turn signal wiring issues with expert troubleshooting tips. From diagnosing glitches to implementing effective solutions, this section equips enthusiasts with the knowledge to address potential challenges.3

Modern Upgrades for Enhanced Functionality

Modern Upgrades for Enhanced Functionality

Explore the possibilities of modern technology integration within the MG TD turn signal system. Upgrading offers enhanced functionality and compatibility, aligning the classic vehicle with contemporary standards.4

Preserving Wiring Integrity during Restoration

Preserving Wiring Integrity during Restoration

This segment provides practical tips to safeguard wiring integrity throughout the restoration process. A meticulous approach is crucial to ensuring the longevity and reliability of the turn signal system.5

Grounding: A Crucial Element in Functionality

Grounding: A Crucial Element in Functionality

Delve into the significance of grounding in the context of turn signal functionality. Understand the role it plays in maintaining a stable electrical connection, contributing to the overall reliability of the system.6

Maintaining and Preserving MG TD Wiring Over Time

Maintaining and Preserving MG TD Wiring Over Time

Expert insights on the long-term care and maintenance of MG TD wiring are provided in this section. Learn best practices to ensure the sustained performance of the turn signal system throughout the vehicle's lifespan.7

Alignment with Compliance and Safety Standards

Alignment with Compliance and Safety Standards

Conclude the wiring journey by understanding the importance of aligning your MG TD turn signal wiring with industry compliance and safety standards. Ensure your classic vehicle adheres to the best practices for optimal performance and safety.8

Sources: 1WireColor, 2ClassicCarRestorationClub, 3ItStillRuns, 4Hagerty, 5MGExp, 6BritishCarForum, 7JustBritish, 8ClassicCarRestorationClub

MG TD Turn Signal Wiring Diagram in Professional's eye

The MG TD turn signal wiring diagram serves as a fundamental guide for enthusiasts immersed in the meticulous restoration of this classic British roadster. Navigating through the intricacies of the wiring system requires a comprehensive understanding of its core components. Delving into the color-coded intricacies offers a roadmap for identifying and connecting wires with precision. Visualizing this process is crucial, and the wiring diagram provides a clear blueprint for enthusiasts to decode the essentials with confidence and accuracy (https://tse1.mm.bing.net/th?q=Decoding+the+Wiring+Essentials+MG+TD+Turn+Signal+Wiring+Diagram).

Embarking on the installation journey necessitates a step-by-step approach, ensuring a seamless integration of the turn signal system. This comprehensive guide outlines the installation process with clarity, empowering enthusiasts to navigate each phase methodically. Visual aids complement the textual guidance, providing a holistic understanding that caters to various learning preferences (https://tse1.mm.bing.net/th?q=Step-by-Step+Installation+Guide+MG+TD+Turn+Signal+Wiring+Diagram).

Despite meticulous installations, encountering glitches in turn signal wiring is not uncommon. This segment offers insights into common issues and provides troubleshooting tips to address potential challenges effectively. Expert advice on diagnosing problems and implementing practical solutions equips enthusiasts with the knowledge needed to maintain optimal functionality (https://tse1.mm.bing.net/th?q=Common+Issues+and+Troubleshooting+Tips+MG+TD+Turn+Signal+Wiring+Diagram).

As the restoration journey unfolds, enthusiasts may contemplate modern upgrades to enhance the functionality of the MG TD turn signal system. Integrating modern technology ensures compatibility with contemporary standards, elevating the driving experience while preserving the classic aesthetics (https://tse1.mm.bing.net/th?q=Modern+Upgrades+MG+TD+Turn+Signal+Wiring+Diagram).

Safeguarding wiring integrity throughout the restoration process is paramount for the longevity of the turn signal system. Practical tips guide enthusiasts in preserving the wiring's integrity, promoting sustained performance and reliability. Understanding the nuances of wire protection and strategic installation contributes to the overall success of the restoration project (https://tse1.mm.bing.net/th?q=Preserving+Wiring+Integrity+MG+TD+Turn+Signal+Wiring+Diagram).

Grounding emerges as a crucial element in ensuring the functionality of the turn signal system. Exploring the significance of grounding unveils its role in maintaining a stable electrical connection. This section delves into the intricacies of grounding, emphasizing its contribution to the reliability and efficiency of the turn signal wiring (https://tse1.mm.bing.net/th?q=Grounding+MG+TD+Turn+Signal+Wiring+Diagram).

Expert insights into the long-term care and maintenance of MG TD wiring become paramount as enthusiasts seek to preserve their classic vehicles. Best practices are shared to ensure sustained performance and mitigate potential issues. This section acts as a guide, offering valuable tips on routine checks and maintenance routines to keep the turn signal system in optimal condition (https://tse1.mm.bing.net/th?q=Maintaining+and+Preserving+MG+TD+Wiring+MG+TD+Turn+Signal+Wiring+Diagram).

The concluding phase emphasizes the alignment of MG TD turn signal wiring with compliance and safety standards. Adhering to industry best practices is imperative for optimal performance and safety. Ensuring the classic vehicle aligns with established standards guarantees a seamless driving experience while prioritizing safety (https://tse1.mm.bing.net/th?q=Alignment+with+Compliance+and+Safety+Standards+MG+TD+Turn+Signal+Wiring+Diagram).

In summary, the MG TD turn signal wiring diagram is an invaluable tool for enthusiasts undertaking the intricate journey of classic car restoration. From decoding the essentials to troubleshooting, upgrading, and maintaining, each phase of the wiring process is meticulously explored. Visual aids complement textual guidance, ensuring a comprehensive understanding of the wiring intricacies. As enthusiasts delve into the restoration project armed with this knowledge, the timeless charm of the MG TD is revived with precision and authenticity.

Point of Views : MG TD Turn Signal Wiring Diagram
  • Introduction: Understanding the importance of the MG TD turn signal wiring diagram is foundational in the restoration process. It serves as a comprehensive guide to navigate the intricate wiring system of this classic British roadster.

  • Decoding Essentials: Begin by deciphering the color-coded intricacies of the diagram. This provides a roadmap for identifying and connecting wires with precision, ensuring an accurate understanding of the core components involved.

  • Installation Guidance: Follow a step-by-step approach outlined in the diagram for the seamless integration of the turn signal system. This comprehensive guide empowers enthusiasts to navigate each installation phase methodically.

  • Troubleshooting Tips: Be prepared to address common issues that may arise during the wiring process. The diagram offers troubleshooting tips and expert advice to diagnose and resolve glitches effectively, maintaining optimal functionality.

  • Modern Upgrades: Explore the possibility of enhancing the turn signal system with modern upgrades. The diagram guides enthusiasts in integrating contemporary technology while preserving the classic aesthetics of the MG TD.

  • Preserving Wiring Integrity: Safeguard the longevity of the turn signal system by following practical tips for preserving wiring integrity. This involves strategic installation techniques and protective measures to ensure sustained performance.

  • Importance of Grounding: Understand the crucial role of grounding in maintaining a stable electrical connection. The diagram provides insights into grounding intricacies, contributing to the overall reliability and efficiency of the turn signal wiring.

  • Maintenance Insights: Gain expert insights into the long-term care and maintenance of MG TD wiring. This section offers valuable tips for routine checks and maintenance routines to keep the turn signal system in optimal condition.

  • Alignment with Standards: Conclude by emphasizing the importance of aligning MG TD turn signal wiring with compliance and safety standards. Adhering to industry best practices guarantees optimal performance and prioritizes safety.

Conclusion :

As we bring this exploration of the MG TD turn signal wiring diagram to a close, we trust that this comprehensive guide has been a valuable resource for your classic car restoration journey. Navigating the intricacies of wiring systems can be a challenging endeavor, but armed with a clear understanding of the diagram's essentials, enthusiasts can embark on the restoration process with confidence and precision.

Revisiting the intricacies of the MG TD turn signal wiring diagram, we encourage you to apply the insights gained throughout our series. Whether you are decoding color-coded essentials, troubleshooting common issues, or contemplating modern upgrades, this guide serves as a roadmap for enthusiasts seeking to revive the timeless charm of the MG TD. Remember, the diagram not only preserves the authenticity of your classic vehicle but also ensures its optimal functionality. As you embark on this intricate journey, may the insights shared here guide you with clarity and expertise, propelling your MG TD restoration towards success.

Questions and Answer for MG TD Turn Signal Wiring Diagram

Q: What are the key components in an MG TD turn signal wiring diagram?

  • A: The key components include color-coded wires, indicating specific functions, and connection points for various elements, ensuring a systematic understanding of the wiring system.

Q: How can I troubleshoot common issues with MG TD turn signal wiring?

  • A: Troubleshooting involves a systematic approach. The wiring diagram provides insights into common issues and offers practical tips for diagnosing problems and implementing effective solutions.

Q: Is it possible to upgrade the MG TD turn signal system with modern technology?

  • A: Yes, the wiring diagram guides enthusiasts through the process of integrating modern upgrades, ensuring enhanced functionality while preserving the classic aesthetics of the MG TD.

Q: Why is grounding crucial in the functionality of MG TD turn signal wiring?

  • A: Grounding maintains a stable electrical connection, contributing to the overall reliability and efficiency of the turn signal system. The wiring diagram delves into the significance of grounding in detail.

Q: What routine maintenance is required for MG TD turn signal wiring?

  • A: Expert insights in the wiring diagram guide enthusiasts on routine checks and maintenance routines, ensuring the long-term care and optimal performance of the MG TD turn signal system.

Label :MG TD Wiring, Turn Signal, Restoration

Keyword : MG TD Turn Signal Wiring Diagram

0 komentar