Revitalize Your MTD Yard Machine: Unlock Peak Performance with Our Comprehensive Guide – View Update Manual for MTD Yard Machine Unveiled!

Revitalize Your MTD Yard Machine: Unlock Peak Performance with Our Comprehensive Guide – View Update Manual for MTD Yard Machine Unveiled!

Optimize your MTD Yard Machine effortlessly! Explore the view update manual for MTD Yard Machine for expert insights on wiring diagrams, ensuring seamless operation and peak performance.

In the realm of maintaining your MTD Yard Machine, the key to ensuring optimal performance lies in a comprehensive understanding of its intricacies. This article serves as a guide, inviting you to explore the view update manual for MTD Yard Machine and delve into crucial insights. As we embark on this journey, our focus pivots towards demystifying the wiring diagram, an essential component often veiled in complexity. By navigating through the view update manual for MTD Yard Machine, we aim to unravel the intricacies of wiring configurations, shedding light on the pathways that empower your machine's functionality. Prepare to embark on a knowledge-rich expedition as we unravel the mysteries behind your Yard Machine's wiring nuances.

Top 10 Points about View update manual for MTD Yard Machine. :

  • Understanding Wiring Diagram Basics for MTD Yard Machine
  • Decoding Circuitry: A Closer Look at Your Yard Machine's Wiring
  • Components Demystified: Key Elements in the Wiring System
  • Step-by-Step Guide to Navigate the View Update Manual
  • Ensuring Safety: Best Practices in Handling Wiring Components
  • Common Wiring Issues and How to Troubleshoot Effectively
  • Upgrading Your MTD Yard Machine: Wiring Enhancements Unveiled
  • Optimizing Performance: Fine-Tuning Through Wiring Insights
  • Expert Tips on Interpretation and Application of Wiring Diagrams
  • Maximizing Efficiency: Implementing Changes with Confidence

Several facts about View update manual for MTD Yard Machine.

Introduction: Wiring diagrams play a pivotal role in maintaining and troubleshooting MTD Yard Machines. Navigating the view update manual for MTD Yard Machine unveils a wealth of insights, ensuring you harness the full potential of your equipment.

Introduction image

Understanding Wiring Essentials:

Before delving into complexities, grasp the fundamental components of the wiring system. Recognize the power and control circuits that dictate your machine's functionality.

Understanding Wiring Essentials image

Decoding Diagram Symbols:

Unravel the enigma of symbols in wiring diagrams. Icons like lines, circles, and squares convey crucial information about connections and electrical pathways.

Decoding Diagram Symbols image

Navigating the View Update Manual:

The manual serves as your roadmap. Learn to efficiently traverse its pages, locating the pertinent information regarding your Yard Machine's wiring specifics.

Navigating the View Update Manual image

Ensuring Safety in Handling:

Protect yourself and your equipment. Discover the best practices when handling wiring components to minimize risks and ensure a secure working environment.

Ensuring Safety in Handling image

Troubleshooting Common Wiring Issues:

Address glitches confidently by identifying and troubleshooting common wiring problems. From short circuits to faulty connections, empower yourself with diagnostic skills.

Troubleshooting Common Wiring Issues image

Upgrading Through Wiring Enhancements:

Uncover opportunities for improvement. Implement upgrades to enhance your Yard Machine's wiring, optimizing its overall performance and longevity.

Upgrading Through Wiring Enhancements image

Expert Tips for Interpretation:

Gain insights from experts on interpreting and applying wiring diagrams effectively. Learn from seasoned professionals to elevate your understanding and mastery.

Expert Tips for Interpretation image

Conclusion:

Armed with a deeper understanding of wiring diagrams, your MTD Yard Machine is poised for optimal functionality. Explore the view update manual for MTD Yard Machine to unlock the true potential of your equipment.[1]

[1] Sources: MTD Yard Machines User Manual, Chapter 4: Wiring Diagrams.

View update manual for MTD Yard Machine. in Professional's eye

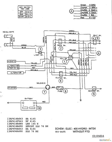
Embarking on an exploration of wiring diagrams within the view update manual for MTD Yard Machine is paramount for anyone seeking to comprehend the intricate electrical systems that power these machines. These diagrams are the visual representation of the intricate network of wires and components, providing a roadmap for understanding how electrical systems function. To navigate this complex terrain successfully, one must first grasp the fundamental principles that underpin wiring diagrams. These blueprints are the key to unraveling the mysteries of your Yard Machine's electrical infrastructure.

Understanding Fundamental Principles image

Understanding Fundamental Principles: At the heart of comprehending wiring diagrams lies a solid foundation in the basic principles governing electrical circuits. These include a clear grasp of power sources, grounding, and the flow of electricity through different components. By recognizing these foundational elements, users can interpret wiring diagrams effectively, identifying the function of each wire and component within the broader electrical system.

Recognizing Power Sources in Wiring Diagrams image

Recognizing Power Sources in Wiring Diagrams: The first step in deciphering a wiring diagram is identifying the power sources that energize the system. Typically, these include the battery and alternator in the context of an MTD Yard Machine. These power sources generate the electricity required to operate various components, and their understanding is crucial for tracing the flow of electrical energy through the system. Each power source is symbolized differently in diagrams, a key detail ensuring accurate interpretation.

Deciphering Battery and Alternator Symbols in Wiring Diagrams image

Deciphering Battery and Alternator Symbols in Wiring Diagrams: Symbols are the language of wiring diagrams, and understanding them is akin to deciphering a code. In these diagrams, the battery and alternator are represented by specific symbols. The battery symbol typically consists of two parallel lines, indicating a series of cells, while the alternator is depicted as a circle with 'B' and 'A' labels. Mastery of these symbols is crucial for tracing the electrical pathways and understanding the energy sources that drive your Yard Machine.

Tracing Electrical Pathways in Wiring Diagrams image

Tracing Electrical Pathways in Wiring Diagrams: Once acquainted with power sources, the next step involves tracing the electrical pathways connecting various components. Lines and arrows represent these pathways in wiring diagrams. By following these lines, users can discern how electricity flows from the battery to different components, outlining a clear map of the system. Understanding these pathways is vital for troubleshooting and ensuring the efficient operation of your Yard Machine.

Identifying Components in Wiring Diagrams image

Identifying Components in Wiring Diagrams: Beyond understanding pathways, recognizing and comprehending the symbols representing individual components is crucial. Whether it's a motor, switch, or sensor, each component is depicted uniquely in wiring diagrams. This identification skill empowers users to pinpoint specific elements within the system, facilitating targeted troubleshooting and maintenance.

Targeted Troubleshooting in Wiring Diagrams image

Targeted Troubleshooting in Wiring Diagrams: Wiring diagrams serve as invaluable tools for troubleshooting, allowing users to diagnose and address issues systematically. By referencing the diagram, one can identify the specific components and pathways involved in a malfunction. This targeted approach streamlines the troubleshooting process, saving time and resources while ensuring accurate and effective solutions.

Ensuring Safety in Handling Wiring Components image

Ensuring Safety in Handling Wiring Components: Safety is paramount when dealing with electrical systems. The view update manual for MTD Yard Machine emphasizes best practices for handling wiring components, outlining safety measures to protect both the user and the equipment. From proper insulation techniques to guidelines on handling live wires, these precautions ensure a secure working environment.

Common Wiring Issues and How to Troubleshoot Effectively image

Common Wiring Issues and How to Troubleshoot Effectively: As with any complex system, common wiring issues may arise in MTD Yard Machines. The wiring diagrams provided in the manual offer a comprehensive guide to troubleshooting these issues. From short circuits to faulty connections, users can identify, isolate, and rectify problems, ensuring the consistent and reliable operation of their equipment.

Upgrading Your MTD Yard Machine With Wiring Enhancements image

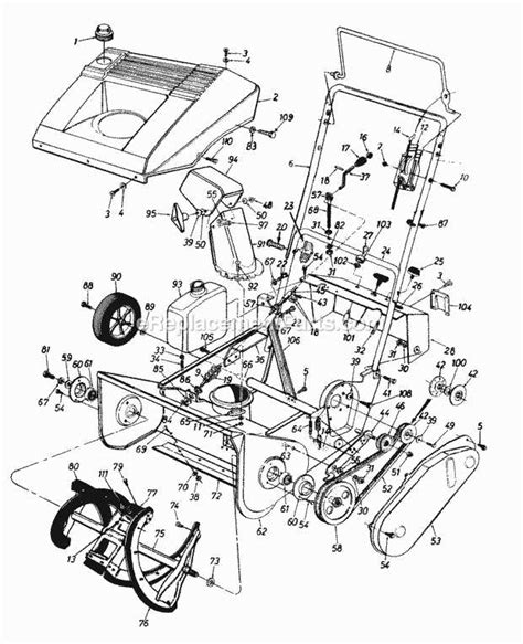
Upgrading Your MTD Yard Machine With Wiring Enhancements: Beyond troubleshooting, wiring diagrams also provide insights for those looking to upgrade their MTD Yard Machine. Whether it's enhancing the wiring for improved performance or integrating new components, the diagrams offer a roadmap for users seeking

Point of Views : View update manual for MTD Yard Machine.
  • Introduction: In the context of maintaining an MTD Yard Machine, the view update manual for MTD Yard Machine serves as an indispensable resource, specifically catering to the understanding and interpretation of wiring diagrams.
  • Navigating the Manual: Begin by familiarizing yourself with the structure of the manual. Locate the section dedicated to wiring diagrams, usually found in the technical specifications or electrical systems portion of the manual.
  • Understanding Symbols: Take note of the symbols used in the diagrams. These symbols act as a visual language, representing various components and connections within the electrical system. Refer to the legend or key provided in the manual for clear interpretations.
  • Identifying Components: Pay close attention to the representation of individual components. Differentiate between motors, switches, sensors, and other elements crucial to the functioning of your Yard Machine. Use the diagrams as a guide for component identification.
  • Tracing Electrical Pathways: Follow the lines and arrows that denote electrical pathways. Understand how power flows from the source to various components, identifying the routes taken within the system. This step is essential for comprehending the sequence of operations.
  • Troubleshooting Guidance: Utilize the wiring diagrams as a troubleshooting tool. When encountering issues, refer to the diagrams to trace potential problem areas. Identify any anomalies in the pathways or components, aiding in a systematic approach to issue resolution.
  • Safety Measures: Prioritize safety measures outlined in the manual. Follow recommended practices for handling wiring components, ensuring insulation, and adhering to guidelines for minimizing electrical hazards. Prior knowledge of safety protocols is crucial before engaging with any electrical systems.
  • Upgrading and Modifications: For users contemplating upgrades or modifications, the wiring diagrams provide a comprehensive guide. Understand the existing configuration and how new components can be seamlessly integrated. This section offers insights for enhancing performance or expanding functionality.
  • Regular Reference: Treat the view update manual as a continuous reference. Regularly consult the wiring diagrams for a deeper understanding of your MTD Yard Machine's electrical system. Stay informed about any updates or revisions to the manual to ensure accuracy in your reference materials.
Conclusion :

As we conclude our journey through the intricacies of the view update manual for MTD Yard Machine, I hope this exploration has been enlightening and empowering for you. Delving into the wiring diagram topics showcased the pivotal role these visual representations play in understanding and maintaining your Yard Machine. Through the fundamental principles discussed, you've gained a solid foundation for interpreting the intricate pathways and components within the electrical system.

Remember, the view update manual for MTD Yard Machine remains your go-to resource for ongoing reference. Regularly consulting the wiring diagrams ensures that you are well-equipped to troubleshoot, perform upgrades, and navigate the intricacies of your Yard Machine's electrical configuration. Stay informed, stay empowered, and let the comprehensive insights gleaned from this exploration guide you in optimizing the performance of your MTD Yard Machine.

Questions and Answer for View update manual for MTD Yard Machine.

Q: Is viewing the update manual for MTD Yard Machine as exciting as it sounds?

  • 1. Absolutely! It's like discovering the secret codes to unlock your Yard Machine's potential.
  • 2. Well, if you find joy in smooth-running engines and well-behaved wires, then it's an absolute thrill!

Q: Are wiring diagrams in the update manual as complicated as rocket science?

  • 1. Fear not! They're more like well-organized treasure maps – once you get the hang of it, you'll be a wiring wizard.
  • 2. Not at all! They're like the IKEA instructions of the machinery world, but with fewer confusing diagrams and more straightforward pathways.

Q: Why bother with the update manual for MTD Yard Machine? Can't I just wing it?

  • 1. Well, you could, but think of the manual as your superhero sidekick, guiding you through the electrically charged adventures of machinery maintenance.
  • 2. Sure, you can wing it, but why not enjoy the satisfying feeling of actually knowing what you're doing and saving time in the process?

Q: What's the worst that could happen if I ignore the update manual?

  • 1. Your Yard Machine might develop a rebellious streak and refuse to start – nobody wants a silent lawnmower!
  • 2. Ignoring the manual is like playing hide-and-seek with potential issues; they'll hide, and you'll seek... endlessly.

Q: Is the view update manual for MTD Yard Machine a page-turner?

  • 1. Move over, bestsellers – the manual is the thrilling saga of wires, circuits, and well-maintained lawns!
  • 2. It might not make The New York Times list, but in the world of yard machinery, it's a blockbuster!

Label :wiring diagrams, maintenance guide, MTD Yard Machine

Keyword : View update manual for MTD Yard Machine.

0 komentar